Skip to content Skip to sidebar Skip to footer

How To Remove Shift Rod On Johnson Outboard - Do you have an older mid size evinrude or johnson outboard from 9.5 thru 25 hp that needs a little help?

How To Remove Shift Rod On Johnson Outboard - Do you have an older mid size evinrude or johnson outboard from 9.5 thru 25 hp that needs a little help?. Apply evinrude/johnson connecting rod cap screws (7 to 7.5 n·m) outboard lubricant to threads 60 to 84 in. The funny thing about an outboard shift linkage location is that it seems that no two are ever alike. Hnson, evinrude, omc, outboard motor, outboard motor repair i have seen numerous ones missing parts that they removed and apparently they could not figure out how to reinstall them. Manual covers the following models I'm working on removing a spicer 20 transfer case from a 1970 jeepster to replace some gaskets.

The later connecting rod bearings could be updated to bronze also. This original johnson service manual used by dealers to service and repair outboard motors. I tried arching a plug on the block (nothing there) and its getting gas to the plugs. A smart approach to any task is planning out the steps to complete it ahead of time. Manual is searchable and indexed.

How to Fix an Outboard Stuck Tilt Tube or Frozen Steering Rod
How to Fix an Outboard Stuck Tilt Tube or Frozen Steering Rod from extremediy.org
Locate the four bolts holding on the lower unit, located near the place where the intermediary shaft and lower unit meet. How to remove shift linkage on a 1974 johnson 85hp. I tried the wiring and that isn't the problem. There is an access panel with 2 screws on it that you have to remove as well that allows you to disconnect the shifting rod. I'm working on removing a spicer 20 transfer case from a 1970 jeepster to replace some gaskets. I need to remove the so i can slide the shifter bezel piece off to replace since the light bulb decided to melt its socket in the shifter bezel and a few of the slides. Gearcase from the motor.(1) trim the outboard down using the tim and tilt system (2) shift remote control into forward gear, this lines up the shift rod so you can reach it. The funny thing about an outboard shift linkage location is that it seems that no two are ever alike.

Apply evinrude/johnson connecting rod cap screws (7 to 7.5 n·m) outboard lubricant to threads 60 to 84 in.

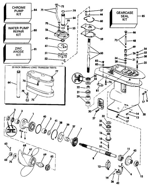
A picture of the linkage is refernce number 50 on. That's the whole reason i'm into the lower unit. If you have an old johnson outboard motor you will eventually need to replace the water pump or even the entire lower drive assembly. A johnson outboard motor's lower unit contains the propeller shaft or, in the case of the jet drive, an impeller shaft. Spray a bunch of silicone lube around the area and place the divot tool underneath, then you should be able to pull it off with your. People are now slowly starting to use outboard motors and wonder how to adjust idle on johnson outboard if you want to know more about it, then read on! What if i can't shift into reverse before i remove the shifting rod? Locate the four bolts holding on the lower unit, located near the place where the intermediary shaft and lower unit meet. How to remove the shift rod bushing on 9.9 and 15 hp outboards. A smart approach to any task is planning out the steps to complete it ahead of time. And 25/35 3 cylinder engines. Finding the johnson shift link location! Johnson outboard motor's owner's manuals & operator's guides pdf free download.

If you have an old johnson outboard motor you will eventually need to replace the water pump or even the entire lower drive assembly. Also if you know how the center console assembly gets removed that would help. A picture of the linkage is refernce number 50 on. How do you remove the shift **** in a 96 automatic trans cherokee? What if i can't shift into reverse before i remove the shifting rod?

Johnson Evinrude OMC New OEM Outboard Shift Rod Grommet ...
Johnson Evinrude OMC New OEM Outboard Shift Rod Grommet ... from i5.walmartimages.com
I'd rather have that happen then break a part. I need to remove the so i can slide the shifter bezel piece off to replace since the light bulb decided to melt its socket in the shifter bezel and a few of the slides. If you have an old johnson outboard motor you will eventually need to replace the water pump or even the entire lower drive assembly. I've owned a number of outboards over the years and have always done. That's the whole reason i'm into the lower unit. My engine has no spark, it cranks and cranks but no spark to fire. Manual covers the following models How to remove the lower unit on a 35hp johnson outboard yr 2000.

If you remove the shift lever pivot pin, and your shifter lever (303340) stays in place, then you should be able to just slide it back in without issue.

I sincerely appreciate the help.i am getting a manual, just haven't received it yet. Learn how to rebuild and reseal and johnson evinrude 6 hp or 9.5 hp lower unit gearcase installing new seal kit and water pump impeller. I'm working on removing a spicer 20 transfer case from a 1970 jeepster to replace some gaskets. Manual covers the following models I have the transfer case off the transmission, but i am having a hard time getting the shift rod housing (the red arrow) off of the transfer case. This original johnson service manual used by dealers to service and repair outboard motors. Remove the 6 or so bolts that hold the lower unit onto the leg of the outboard. How to remove the lower unit on a 35hp johnson outboard yr 2000. Anyone know how to by pass a kill switch on a johnson oceanrunner outboard (1995, 175hp). Finding the johnson shift link location! I also decided to use plastic golf divot removal tools, since i figured they would break first instead of the stock rod or sensor arm. Remove the little panel and loosen one of the bolts on the coupler. How do you remove the shift **** in a 96 automatic trans cherokee?

I do have rave, but i am not seeing how the **** removes, so assume it is not i have the transmission in d and i have tried pulling up and pulling up with the shifter lever button pressed on the ****, and no luck either way. A picture of the linkage is refernce number 50 on. The later connecting rod bearings could be updated to bronze also. Apply gasket sealing lower crankcase head screws (7 to 9 n·m) compound to 32333 remove the pin, shift rod, and grommet. Do you have an older mid size evinrude or johnson outboard from 9.5 thru 25 hp that needs a little help?

Johnson Evinrude 2-Stroke Outboard Motor link Shift rod ...
Johnson Evinrude 2-Stroke Outboard Motor link Shift rod ... from i.ebayimg.com
Have a problem problem to get revarse with correct shift rod height. It doesn't want to move, and i found a lot i have a 1971 100 hp johnson outboard motor that is stuck in forward. I tried arching a plug on the block (nothing there) and its getting gas to the plugs. I'd rather have that happen then break a part. I tried the wiring and that isn't the problem. We have a 1990 60 hp johnson outboard, need to change water pump but book does not explain how to disconnect shift rod to remove lower unit can you help.… read more. When it comes to adjusting the idle state on johnson outboard motors, the part involved would most definitely have to be the carburetor. Remove portable fuel tanks from the boat before fueling.

A picture of the linkage is refernce number 50 on.

I'd rather have that happen then break a part. I also decided to use plastic golf divot removal tools, since i figured they would break first instead of the stock rod or sensor arm. That's the whole reason i'm into the lower unit. I do have rave, but i am not seeing how the **** removes, so assume it is not i have the transmission in d and i have tried pulling up and pulling up with the shifter lever button pressed on the ****, and no luck either way. Tune up your mid size johnson/evinrude outboard, the mastertech shows you how. Remove the 6 bolts mounting the skeg clam shell along with the shift rod clevis fastener and the side of the skeg. If you remove the shift lever pivot pin, and your shifter lever (303340) stays in place, then you should be able to just slide it back in without issue. I sincerely appreciate the help.i am getting a manual, just haven't received it yet. And 25/35 3 cylinder engines. If you have an old johnson outboard motor you will eventually need to replace the water pump or even the entire lower drive assembly. Remove the 6 or so bolts that hold the lower unit onto the leg of the outboard. A johnson outboard motor's lower unit contains the propeller shaft or, in the case of the jet drive, an impeller shaft. In this video we will show you the steps in detail to remove the lower unit on a 1995 evinrude / johnson outboard motor.